НашаРаша

Главная | Регистрация | Вход
Вторник, 13.01.2026, 12:40
Приветствую Вас Гость | RSS
DOZ.UCOZ.NET-НашаРаша
Добавь в закладки
Меню сайта
Погода Тюхтет
GISMETEO: Погода по г.Тюхтет



Электротовары
Главная » Статьи » Сделай сам » Сам себе электрик

рублей Яндекс.Деньгами
на счет 41001811770512 (Поддержи проект Наша Раша)
Загрузка...
Простое термореле

Схема термореле показана на рис. 1. Теплочувствительный элемент этого автомата - полупроводниковый терморезистор, сопротивление которого при понижении температуры резко увеличивается. Так при комнатной температуре (20 С) его сопротивление составляет 51 кОм, а при 5-7 С уже почти 100 кОм, то есть возрастает почти в два раза. Именно это его свойство и используется в автоматическом регуляторе температуры.

 

Принципиальная электрическая схема термореле

Рис. 1 Схема термореле

При нормальной температуре сопротивление терморезистора R1 относительно мало, и на базу транзистора VT1 подается постоянное смещение, которое удерживает его в открытом состоянии. С уменьшением температуры сопротивление терморезистора увеличивается, ток базы уменьшается, и транзистор начинает закрываться. Тогда триггер Шмидта, собранный на транзисторах VT2 и VT3, «опрокидывается» (VT2 открывается, а VT3 закрывается) и подает смещение в цепь базы транзистора Т4, в эмиттерную цепь которого включено электромагнитное реле.

Транзистор VT4 открывается и включает реле К1. Подстроечным резистором R3 можно выбрать пороги срабатывания триггера и, следовательно, температуру, которую устройство будет автоматически поддерживать.

 Диод VD2, включенный в обратном направлении, шунтирует обмотку реле и предохраняет транзистор от пробоя при включении реле, когда в его обмотке возникает ЭДС самоиндукции. Одновременно со срабатыванием реле начинает светиться светодиод HL1, который используется в качестве индикатора работы всего устройства.

Стабилитрон VD1 и резистор R9 образуют простейший параметрический стабилизатор напряжения для питания электронной схемы устройства, а конденсаторы С1 и С2 фильтруют выпрямленное диодным мостиком VD3-VD6 переменное напряжение.

Все детали для сборки устройства вы можете легко купить в магазине радиотоваров. Резисторы типа МЛТ, транзистор VT1 -МП41; VT2, VT3 и VT4 - МП26. Вместо них можно использовать любые p-n-p транзисторы, рассчитанные на напряжение не ниже 20 В. Реле K1 - типа РЭС-10 или аналогичное, срабатывающее при токе 10-15 мА с переключающими или размыкающими контактами. Если нужного вам реле подобрать не удастся, не отчаивайтесь. Заменив транзистор VT4 на более мощный, например ГТ402 или ГТ403, вы можете включить в его коллекторную цепь практически любое реле, применяющееся в транзисторной аппаратуре. Светодиод HL1 - любого типа, трансформатор T1 - ТВК-110.
 

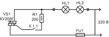
вариант с симистором

Рис. 2

Все детали, за исключением терморезистора R1, монтируются на печатной плате, которая находится в комнате вместе с электронным выключателем (схема 2). Когда при понижении температуры реле срабатывает и замыкает контакты К 1.1, на управляющем электроде симистора VS1  появляется напряжение, которое его отпирает. Цепь замыкается.

Теперь о налаживании электронной схемы. Прежде чем подключать контакты реле 4 к тиристору VS1, терморегулятор необходимо испытать и настроить. Сделать это можно так.

Возьмите терморезистор, припаяйте к нему длинный провод в двухслойной изоляции и поместите в тонкую стеклянную трубочку, заклеив с обоих концов эпоксидной смолой для герметичности. Затем включите питание электронного регулятора, опустите трубочку с терморезистором в стакан со льдом и, вращая движок подстроечного резистора, добейтесь срабатывания реле.



Понравилась статья-Жми +1 Нравится

BBCode:

HTML:   

[ Скрыть ссылки ]

Это может быть интересно:
Категория: Сам себе электрик | Добавил: port79 (07.04.2011)
Просмотров: 1615 | Теги: термореле, простое | Рейтинг: 0.0/0
Всего комментариев: 0
Добавлять комментарии могут только зарегистрированные пользователи.
[ Регистрация | Вход ]
место для вашей рекламы-сайт принадлежит Журавлёву Роману Александровичу-вопросы по рекламе:port79@mail.ru
Администрация интернет-портала www.doz.ucoz.net не несёт ответственности за действия его посетителей. Все товарные знаки и знаки обслуживания на этом сайте являются собственностью соответствующих владельцев.Мнения, выраженные в публикациях на этом сайте, являются мнениями авторов публикаций и могут не совпадать с мнением администрации сайта
doz.ucoz.net
Информация для правообладателей

Copyright MyCorp ©
2026

Конструктор сайтовuCoz